Описание
Панели кабельных вводов EMW-PCD предназначены для оптимизации и удобства ввода кабеля в шкафах серии EMW и EMWS, и служат заменой штатных сплошных панелей ввода.
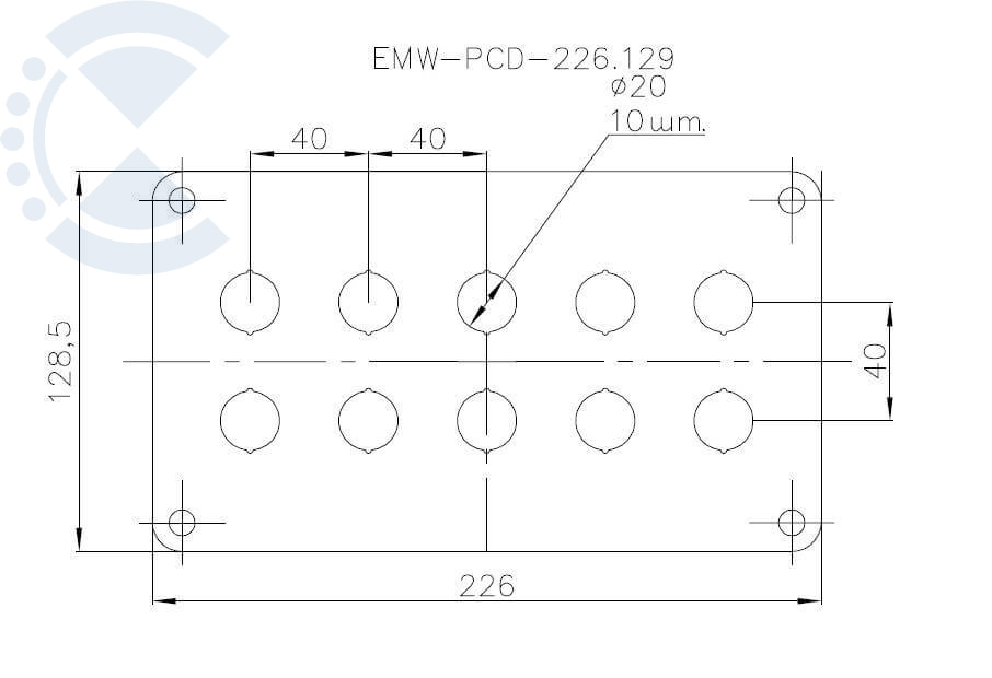
Панели имеют ряд предподготовленных отверстий выполненных в формате knock-out, которые просто пробиваются отверткой. Количество, размеры и расположение отверстий различно в зависимости от типоразмера панели.
Размеры отверстий предназначены для установки стандартных кабельных-вводов (сальников) М12, М20, М32.
Панель выполнена из листовой стали толщиной 1,5мм., с полимерно-порошковым покрытием, и имеет нанесенный полиуретановый уплотнтель.
Панели имеют ряд предподготовленных отверстий выполненных в формате knock-out, которые просто пробиваются отверткой. Количество, размеры и расположение отверстий различно в зависимости от типоразмера панели.
Размеры отверстий предназначены для установки стандартных кабельных-вводов (сальников) М12, М20, М32.
Панель выполнена из листовой стали толщиной 1,5мм., с полимерно-порошковым покрытием, и имеет нанесенный полиуретановый уплотнтель.